Voltage and current schematics

Google Ads
110 and 220V AC LED Voltage Indicator

This circuit has proven to be useful to indicate when the voltage in a power supply line is changing from 120V to 240Vac. It can be used in different circumstances and circuits, mainly when an increase in ac or dc supply voltage needs to be detected. D3 illuminates when the line voltage is approaching 120V and will remain in the on state also at 240V supply. On the other hand, D6 will illuminate only when the line voltage is about 240V and will stay on because the latching action of Q1, Q2 and related components. C1, D1 and D2 provide a low dc voltage in the 4.5V - 6V range in order to allow proper operation of latch circuit and LEDs.... [read more]

Smart Trailing Socket

This circuit consists of a Trailing Socket (also called Extension or Distribution Socket) or similar device where two, three or more sockets (depending on the box dimensions and on constructor's needs) will be powered only when a current flows in the Control Socket. For example: if an electric drill is connected to the Control Socket, the Switched Sockets will be powered each time the electric drill is running. In this case, a lamp could be connected to a Switched Socket and will illuminate when the drill is operating.... [read more]

Mains Supply Failure Alarm

Whenever AC mains supply fails, this circuit alerts you by sounding an alarm. It also provides a backup light to help you find your way to the torch or the generator key in the dark. The circuit is powered directly by a 9V PP3/6F22 compact battery. Pressing of switch S1 provides the 9V power supply to the circuit. A red LED (LED2), in conjunction with zener diode ZD1 (6V), is used to indicate the battery power level.... [read more]

AC Line Current Detector

This circuit will detect AC line currents of about 250 mA or more without making any electrical connections to the line. Current is detected by passing one of the AC lines through an inductive pickup (L1) made with a 1 inch diameter U-bolt wound with 800 turns of #30 - #35 magnet wire.... [read more]

Voltage Monitor

When the input voltage is 0 the LED glows. The LED stops glowing when the voltage rises to the level determined by R2. Reverse + and - pins to reverse operating mode. To set voltage at which LED goes off, (1) Set 0V at input. (2) Set input voltage at desired level. (3) Adjust R2 to point right after LED goes out.... [read more]

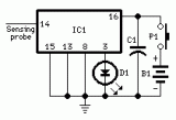
Live-line Detector

If the unit is brought close to a live conductor (insulated, and even buried in plaster) capacitive coupling between the live conductor and the probe clocks the counter, and causes the LED to flash 5 times per second, because the 4017 IC divides the mains 50Hz frequency by 10.... [read more]

If you liked this page, please consider sharing it