Different out voltages from 12V Battery

Discription

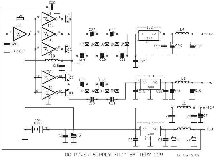
Many times we needed a variety of voltages, from a battery 12V. With the circuit, we can take voltages smaller or bigger, positive or negative, from a battery 12V. The idea is based in oscillator roughly 7KHZ, round the R1, C28, that lead the remainder gates of IC1, that are connected at the parallel, (so that they provide the essential current of drive), that drive with the line their transistors Q1 until Q4. Then exist two circuits of "cascade" constituted from diodes and capacitors, D1 until D4, C14 until C17 for the negative and D5 until D9, C19 until C23 for the positive voltage, that drive the corresponding stabilizers. In the outputs of stabilizers exist inductors, which they remove and the last remains of oscillation. The current that we can take from the outputs are order the 100 until 200 mA. The total time that will capacity of battery it gives the current that we want, it's up to from her capacity on Ah, as long as more so much more time. All the transistors and the stabilizers, good it is they are placed in a heatsink, in order to it remove the produced heat.

Circuit diagram

Circuit diagram

Parts list

  • R1=6.8Kohms
  • C1-4-8-12-18=100nF 100V
  • C2=220uF 25V
  • C3-9-=680nF 63V
  • C5-11-26=4.7uF 16V
  • C6-7-10-27=47uF 25V
  • C14-15-16-17=220uF 25V
  • C19-20-21-22-23=220uF 25V
  • C13-24-25-29=100nF 100V
  • C28=3.3nF 63V
  • Q1-3=TIP31
  • Q2-4=TIP32
  • IC1=74HC14
  • IC2=7824
  • IC2=7912
  • IC3=7805
  • D1....9=1N4001
  • BATT=BATTERY 12V >3Ah
  • L1-2=VK200
  • L3-4=560μH
  • L5=22μH