Capacitive Sensor

Note: For proper operation, circuit ground must be connected via a small value, high voltage-rating capacitor to one side of the mains supply socket. The "Live" side is the right one.

Special design for shop-windows animation

Useful for many types of touch controls

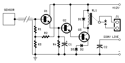
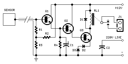
Circuit diagram

Capacitive Sensor-Circuit diagram

Parts:

  • R1,R2 1M 1/4W Resistors
  • R3,R4 47K 1/4W Resistors
  • C1 10µF 25V Electrolytic Capacitor
  • C2 470pF 630V Ceramic or Polyester Capacitor
  • D1-D3 1N4002 100V 1A Diodes
  • Q1-Q3 BC337 45V 800mA NPN Transistors
  • RL1 Relay with SPDT 2A @ 220V switch
  • Coil Voltage 12V. Coil resistance 200-300 Ohm
  • J1 Two ways output socket
  • Sensor Aluminium or copper thin sheet with the dimensions of a post-card,
  • glued at the rear of the same (approx. 15x10.5 cm.)
  • Thin screened cable

Circuit description:

The purpose of this circuit is to animate shop-windows by means of a capacitive sensor placed behind a post-card-like banner. The card is placed against the glass inside the shop-window, and the visitor can activate the relay placing his hand on the card, from the outside. Especially suited for toy-shops, the circuit can activate model trains, small electric racing cars, lights etc. Further applications are left at user's imagination. Adopt it to increase the impact of your shop-window on next Christmas season!

Q1, Q2 & Q3 form a high impedance super-Darlington that drives the relay, amplifying the 50Hz alternate mains-supply frequency induced in the sensor by the human body. C1 & D2, D3 ensure a clean relay's switching. Power supply can be any commercial wall plug-in transformer with rectifier and smoothing capacitor, capable of supplying the voltage and current necessary to power the relay you intend to use.

author: RED Free Circuit Designs
circuit from http://www.redcircuits.com/