When The Siren Sounds

Description

In Greek mythology, a siren was a demonic being (half bird, half woman). Later on this idea was transformed in art into a mermaid: a combination of a fish and a woman. Mechanical and electromechanical versions were invented even later, and electronic models were developed in the last century. Sirens are characterized by their ability to produce sounds that attract attention. With the exception of the flesh-and-blood models, they are thus used to warn people in a particular area of impending danger. The electronic versions are the most suitable for DIY construction.

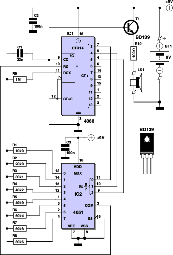
Circuit diagram:

When The Siren Sounds-Circuit diagram

There are lots of different ways to make an electronic siren. Here we use a binary counter (IC1) and an analogue multiplexer (IC2, which is a digitally configurable switch). The counter is a type 4060 IC, which has an integrated oscillator. The oscillator generates the tone of the siren. The frequency of this tone depends on the resistance between pin 10 of IC1 and the junction of C1 and R9. The trick here is that the analogue multiplexer adjusts the clock rate of the counter depending on the state of the counter.

The frequency of the oscillator decreases as the resistance between pin 10 of IC1 and the junction of C1 and R9 increases, and the lower the frequency of the oscillator, the longer the counter remains in its current state. This means that high frequencies present on pin 9 are generated for shorter times than low frequencies. The values of resistors R1–R8 increase in uniform steps of approximately 10kO, with the result that the output on pin 9 is a series of eight decreasing frequencies, and this series is constantly repeated in cyclical fashion. Transistor T1 (BD139) and resistor R10 are included to boost the signal from pin 9 to a level suitable for driving a loudspeaker.

The sound produced by this circuit may be familiar to some of our readers (especially if their memories extend back to older types of pinball and arcade game machines). You can also adjust the characteristics of the sound, since this circuit is primarily an invitation to experiment with the component values – in particular R1–R8 (10 k? minimum), but also C1. The values of R1–R8 do not have to follow a strictly increasing series; they can also be selected randomly. The current consumption is primarily determined by resistor R10 and the loudspeaker (in our case an 8-O type). The siren circuit draws approximately 33 mA at a supply voltage of 9 V. The supply current is 11 mA at the minimum supply voltage of 4 V, and it increases to 60 mA at the maximum supply voltage of 15 V.

author: Elektor Electronics 12-2006
circuit from http://www.extremecircuits.net/2010/04/when-siren-sounds-useful-circuit.html