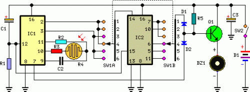
A Tan Timer Circuit Diagram

Description

This timer was designed for people wanting to get tanned but at the same time wishing to avoid an excessive exposure to sunlight. A Rotary Switch sets the timer according to six classified Photo-types (see table). A Photo resistor extends the preset time value according to sunlight brightness (see table). When preset time ends, the beeper emits an intermittent signal and, to stop it, a complete switch-off of the circuit via SW2 is necessary.

Circuit diagram:

A Tan Timer Circuit Diagram-Circuit diagram

Parts:

  • R1 = 47K - 1/4W Resistor
  • R2 = 1M - 1/4W Resistor
  • R3 = 120K - 1/4W Resistors
  • R4 = Photo resistor (any type)
  • R5 = 120K - 1/4W Resistors
  • C1 = 10µF - 25V Electrolytic Capacitors
  • C2 = 220nF - 63V Polyester Capacitor
  • C3 = 10µF - 25V Electrolytic Capacitors
  • D1 = 1N4148 - 75V 150mA Diodes
  • D2 = 1N4148 - 75V 150mA Diodes
  • Q1 = BC337 - 45V 800mA NPN Transistor
  • B1 = 3V Battery (two 1.5V AA or AAA cells in series)
  • IC1 = 4060 - 14 stage ripple counter and oscillator IC
  • IC2 = 4017 - Decade counter with 10 decoded outputs IC
  • SW1 = 2 poles 6 ways Rotary Switch (see notes)
  • SW2 = SPST Slider Switch
  • BZ1 = Piezo sounder (incorporating 3KHz oscillator)

Notes:

  • Needing only one time set suitable for your own skin type, the rotary switch can be replaced by hard-wired links.
  • A DIP-Switch can be used in place of the rotary type. Please pay attention to use only one switch at a time when the device is off, or the ICs could be damaged.